TCX5318
升压型大功率LED恒流驱动器
产品描述
TCX5318是一款高效率、高精度的升压型大功率LED灯恒流驱动控制芯片。
TCX5318内置高精度误差放大器,固定关断时间控制电路,恒流驱动电路等,特别适合大功率、多个高亮度LED灯串的恒流驱动。
TCX5318采用固定关断时间的控制方式,其工作频率最高可达350KHz,可使外部电感和滤波电容体积减小,效率提高,节省PCB面积。
TCX5318通过调节外置的电流采样电阻,能控制高亮度LED灯的驱动电流,使LED灯亮度达到预期恒定亮度。在PWM端加PWM信号,还可以进行LED灯调光。
TCX5318采用SOP8封装。
主要特点
- 宽输入电压范围:5V~100V
- 高效率:可高达95%M
- 最高工作频率:350KHz
- CS限流保护电压:100mV
- FB电流采样电压:200mV
- 芯片供电欠压保护:2.4V
- 内置固定关断时间
- 无频闪的PWM调光M
- 内置VDD稳压5.6V
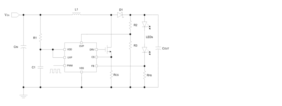
典型应用图
