TCS5203BC
2.5V-5.5VIN, 40VOUT , 1.2MHz Boost Regulator
产品描述
The series -up converter designed for driving up to 10 white LEDs or up to 40V output voltage from a single cell Lithium Ion battery. The device features integrated overvoltage protection and feedback voltage is regulated to 100mV to 600mV. Low feedback voltage helps to reduces power loss and improves efficiency.
Customers can choose different FB voltages according to their application. Optimized operation frequency can meet the requirement of small LC filters value and low operation current with high efficiency. Internal soft start function can reduce the inrush current. Both SOT23-5 package type provides the best solution for PCB space saving and total BOM cost.
主要特点
- 2.5V to 5.5V Input Voltage
- Up to 40V Output Voltage
- 1.2MHz Fixed Switching Frequency
- 0.1/0.2/0.25/0.3/0.6V Feedback Voltage
- Internal 1.6A Switch Current Limit
- Support Analog and PWM Dimming Mode
- Internal 40V Over Voltage Protection
- Internal Compensation
- Thermal Shutdown
- Driving Up to 10 White LEDS
- Dimming with wide Frequency Range
- Available in SOT23-5, package
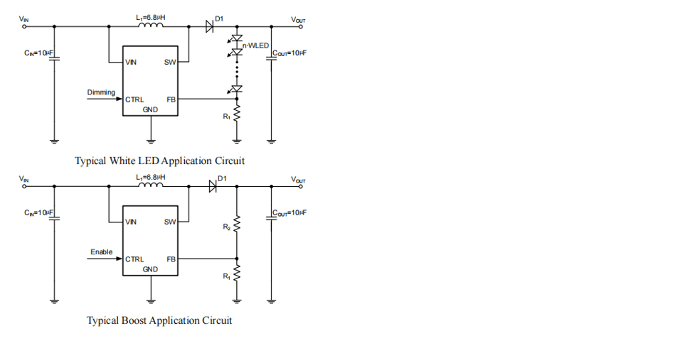
典型应用图
订购资讯
| Marking | Model | Description | Package | T/R Qty |
|---|---|---|---|---|
| KcYLL | TCS5203BC-E | TCS5203BC Boost, VIN 2.5-5.5V, VOUTVIN-40V, 1.2MHz, VFB0.25V, SOT23-5 | SOT23-5 | 300OPCS |
