TCS3533
Triple-Output AMOLED Display Power Supply
产品描述
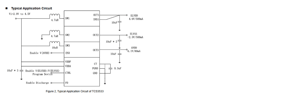
The TCS3533is designed to drive AMOLED displays (Active Matrix Organic Light Emitting Diode) requiring V(AVDD), V(ELVDD) and V(ELVSS). The device integrates a boost converter for V(ELVDD), an inverting buck-boost converter for V(ELVSS) and a boost converter for V(AVDD), which are suitable for battery operated products. The digital interface control pin(CTRL) allows programming V(AVDD), V(ELVDD) and V(ELVSS) in digital steps. The TCS3533uses a novel technology enabling excellent line and load regulation.
主要特点
- 2.9V to 4.5V Input Voltage Range
- Synchronous Boost Converter (AVDD)
- 5.8V to 7.9V Output Voltage (programmable)
- 6.1V Default Output Voltage
- 1% Accuracy
- 80mA Output Current Capability
- 135mA Output Current Protection
- VI to VO and VO to VI Isolation
- Synchronous Boost Converter (ELVDD)
- 4.6V to 5V Output Voltage (programmable)
- 4.6V Default Output Voltage
- 0.5% Accuracy
- 500mA Output Current Capability
- External Output Voltage Sensing Pin for Load
- Drop Compensation
- Excellent Line Transient Response
- VI to VO and VO to VI Isolation
- Synchronous Inverting Buck-Boost Converter(ELVSS)
- –5.4V to –1.4V Output Voltage(programmable)
- –2.5V Default Output Voltage
- 1.2% Accuracy at –2.5 V (±30 mV)
- 500mA Output Current Capability
- VI to VO and VO to VI Isolation
- Single-Wire Digital Interface for Programming
- Short Circuit Protection
- Thermal Shutdown
- Available in 3mm × 3mm x 0.75mm 16Pin QFN Package
典型应用图
