SW3516P
支持 PD 的多快充协议双口充电解决方案
产品描述
SW3516P 是一款高集成度的多快充协议双口充电芯片,支持 A+C 口任意口快充输出,支持双口独立限流。其集成了 5A 高效率同步降压变换器,支持 PPS/ PD/QC/ AFC/ FCP/SCP/ PE/SFCP 等多种快充协议,最大输出 PD 100W(20V@5A),CC/CV 模式,以及双口管理逻辑。
外围只需少量的器件,即可组成完整的高性能多快充协议双口充电解决方案。
主要特点
- 同步降压变换器
- 输出电流高达 5A
- 输入电压范围 6~32V
- 支持 CC/CV 模式
- 支持双口独立限流
- 支持线损补偿
- 支持温度控制
- 快充协议
- 支持 PPS/PD3.0/PD2.0
- 支持 QC4+/QC4/QC3.0/QC2.0
- 支持 AFC
- 支持 FCP
- 支持 SCP
- 支持 PE2.0/PE1.1
- 支持 SFCP
- Type-C 接口
- 内置 USB Type-C 接口逻辑
- 支持 DFP/Source 角色
- BC1.2 模块
- 支持 BC1.2 DCP 模式
- 支持苹果/三星大电流充电模式识别
- 快充指示灯
- 内置快充指示灯驱动
- 保护机制
- 软启动
- 输入过压保护
- 输入欠压保护
- 输出过流保护
- 输出短路保护
- 过温保护
- I2C 接口
- QFN-28(4x4mm) 封装
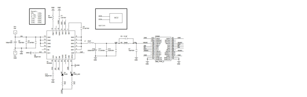
典型应用图
