SW3526S
支持 PD 的多快充协议充电解决方案
产品描述
SW3526 是一款高集成度的多快充协议充电芯片,支持 C 口或 A 口输出,其集成了 3.5A 高效率同步降压变换器,支持 PPS/PD/QC/AFC/FCP/SCP/PE/SFCP 等多种快充协议以及 CC/CV 模式。外围只需少量的器件,即可组成完整的高性能多快充协议充电解决方案。
主要特点
- 同步降压变换器
- 输出电流高达 3.5A
- 输入电压范围 6~35V
- 支持 CC/CV 模式
- 支持线损补偿
- 快充协议
- 支持 PPS/PD3.0/PD2.0
- 支持 QC4+/QC4/QC3.0/QC2.0
- 支持 AFC
- 支持 FCP
- 支持低压 SCP/高压 SCP
- 支持 PE2.0/PE1.1
- 支持 SFCP
- Type-C 接口
- 内置 USB Type-C 接口逻辑
- 支持 DFP/Source 角色
- BC1.2 模块
- 支持 BC1.2 DCP 模式
- 支持苹果/三星模式
- 快充指示灯
- 保护机制
- 软启动
- 输入过压保护
- 输入欠压保护
- 输出过流保护
- 输出短路保护
- 过温保护
- I2C 接口
- QFN-24(4x4mm) 封装
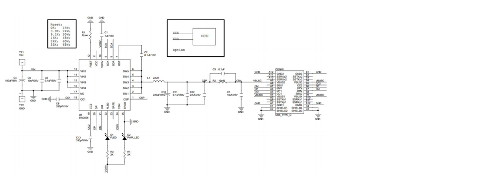
典型应用图
