SW2303
SW2303 多协议快充解决方案
产品描述
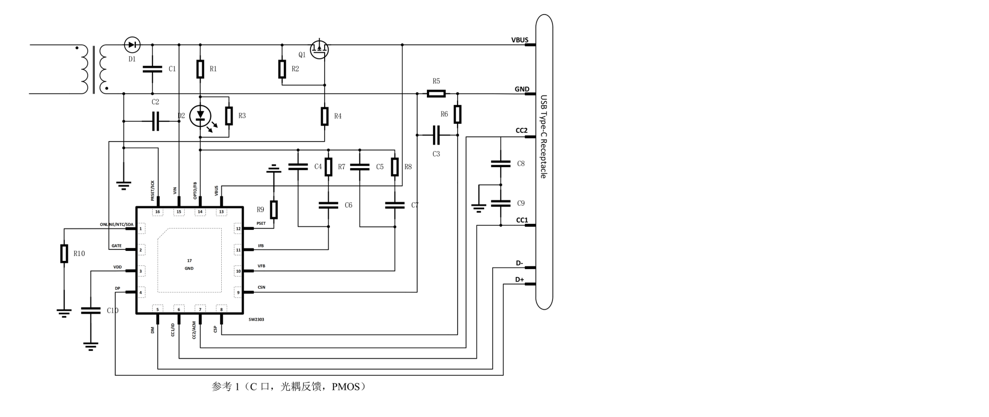
SW2303 是一款高集成度的 Type-C 口/Type-A 口快充协议芯片,支持 PD、QC、FCP、高低压 SCP、AFC、SFCP 以及 PE 等主流快充协议,支持光耦反馈和 FB 反馈两种工作模式。SW2303 集成了 CV/CC控制环路,Type-C 接口逻辑,快充协议控制器,以及多种安全保护功能。配合 ACDC 或 DCDC 以及少量的外围元器件,即可组成完整的高性能的 Type-C 口/Type-A 口快速充电解决方案。
主要特点
- 电源管理
- 宽输入电压范围 3.0~25V
- 支持光耦反馈控制
- 支持 FB 反馈控制
- 集成 CV 和 CC 环路
- 集成 VBUS 和 VIN 快速放电
- 支持线路阻抗补偿
- 快充协议
- 支持 PPS/PD3.0/PD2.0
- 支持 QC4.0+/QC4.0
- 支持 QC3+/QC3.0/QC2.0
- 支持 FCP/高低压 SCP
- 支持 AFC
- 支持 PE1.1/PE2.0
- 支持 SFCP
- Type-C 接口
- 内置 USB Type-C 接口逻辑
- 支持 DFP/Source 角色
- 支持 VCONN 和 Emarker 功能
- CC1/2 和 DPDM 引脚耐压大于 25V
- BC1.2 模块
- 支持 BC1.2 DCP 模式
- 支持苹果 2.4A 模式识别
- 支持三星 2A 模式识别
- 保护机制
- 软启动
- 输出过压保护
- 输出欠压保护
- 输入低电保护
- 输出过流保护
- 芯片过温保护
- NTC 过温保护
- 系统控制
- 支持 NMOS/PMOS 通路管
- 集成内部 Discharge
- 支持 I2C 接口
- 功率和电压档位灵活配置
- 支持动态功率分配
- QFN-16(4x4mm) 封装
- >±4kV ESD HBM
典型应用图
