TCS5109
Non-Synchronous PWM Boost Controller
Product Description
The TCS5109 is boost topology switching regulator for wide operating voltage applications. ltprovides builtin gate driver pin for driving external N-MOSFET. The non-inverting input of erroramplifier connects to a 1.2V precision reference voltage. it has programmable switching frequency setby external resistor, and programmable inductor peak current limit connects a resistor from CS to GNDCurrent mode control and external compensation network make is easy and flexible to stabilize thesystem.
The TCS5109 is available in the small footprint SOP-8L(EP) package to fit in space-saving PCBlayout for application felds.
主要特点
- Start-up Voltage: 2.8V
- Wide Supply Voltage Operating Range: 5V to 24V
- Precision Feedback Reference Voltage: 1.2V(±2%)
- Shutdown Current: <3uA
- Programmable Switching Frequency: 100KHz~1000KHZ
- Input Under Voltage Protection(UVP)
- Switching MOSFET Over Current Protection (OCP)
- Over Temperature Protection (OTP)
- Package: SOP-8L(EP)
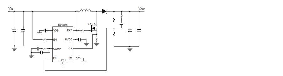
典型应用图
订购资讯
| Part Number | Operating Temperature | Package | MOQ | Description |
|---|---|---|---|---|
| TCS5109-EH | -25-C~85-C | SOP-8L (EP) | 2500EA | Tape & Reel |
